Насос НШ 16 T3-16R-R3D8-SK07K07-N
Насос НШ 16
Насосы серии T3 с внешним зацеплением со своей простой конструкцией, компактным размером и широким спектром типов применимы в современных гидравлических системах, технологиях обработки и мобильной гидравлике.
Технические характеристики НШ 16
| 
 Рабочий объем[ см.куб ]:  | 
 4.00-31.00  | 
| 
 Объемный поток [ дм.куб/мин ]  | 
 3.00-47.80  | 
| 
 Обороты [ 1/мин ]  | 
 500-4000  | 
| 
 Максимальное постоянное давление [ бар ]:  | 
 280  | 
| 
 Максимальное давление [ бар ]:  | 
 290  | 
Насосы серии T3 с внешним зацеплением со своей простой конструкцией, компактным размером и широким спектром типов применимы в современных гидравлических системах, технологиях обработки и мобильной гидравлике.
Базовое исполнение состоит из нескольких частей. Тело насоса изготавливаются из прочного алюминиевого сплава. Крышка и фланец из серого чугуна или алюминиевого сплава. Все фланцы, а также жидкостные входы и выходы соответствуют всем мировым признанным стандартам.
Шестерни с 12 зубами оптимизированы для достижения низкого уровня шума, сделаны из высокопрочной стали. Фронтальные штифты с высокой поверхностной качества хранятся в подшипниках, которые постоянно смазываются и охлаждаются с рабочей жидкостью потока.
При необходимости использования на малый вес и небольшие размеры предусмотрен сокращенный вариант - обозначение T3K.
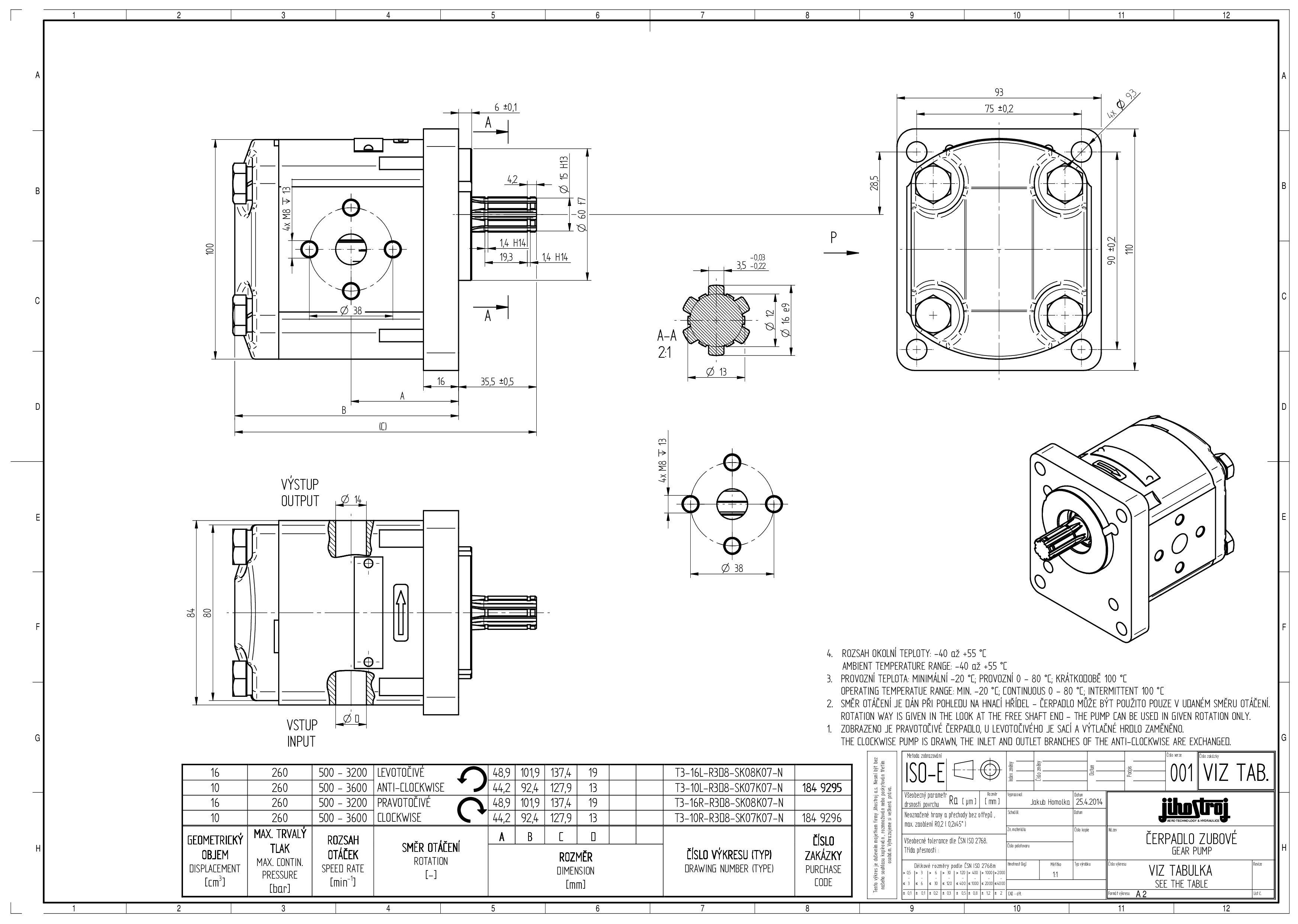
Чертеж НШ 16
